Capacitación Rotofrance: Reguladores de Voltaje 'Contínua+Alterna'


[espacio de publicidad]

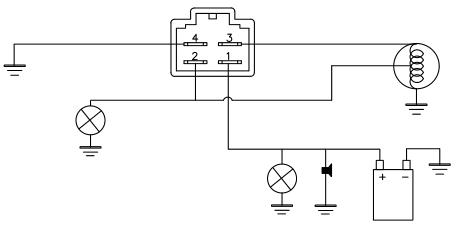
Son compatibles con volantes magnéticos con bobinado de dos salidas (una en derivación) y el extremo común conectado a masa.



Estos reguladores se utilizan en motos, generalmente de baja cilindrada (hasta 150c.c.), donde algunos de sus accesorios se alimentan con tensión continua y otros con alterna.
En general, las luces alta y baja delanteras y la de posición trasera se alimentan con señal alterna.
La batería con el resto de consumos asociados, se alimentan con señal continua.
El regulador consta de dos etapas bien definidas: "Etapa de Continua" y "Etapa de Alterna".

Etapa de Continua:

Rectifica y estabiliza la señal que genera el volante magnético, entre el extremo del bobinado y masa, para cargar la batería y alimentar cargas asociadas. Corresponde al cable "blanco" del volante.

Etapa de Alterna:

Estabiliza la señal que genera el volante magnético, entre la derivación del bobinado y masa, para alimentar las luces. Corresponde al cable "amarillo" del volante.
Hay reguladores con conector incorporado en la caja (sin cables) y con cables que terminan en un conector.
Dentro de los reguladores con conector incorporado podemos distinguir dos familias: "Conector Negro" y "Conector Verde". No obstante es aconsejable consultar el catálogo.

Conector Negro







Conector Verde







Es estas aplicaciones, por lo general, los colores de cables de la instalación son:

"Rojo": Positivo de Batería.
"Verde": Masa.
"Amarillo": Derivación del Bobinado.
"Blanco": Extremo del Bobinado.

Para los reguladores con "cables y conectores", en general los colores son los que se detallan a continuación. No obstante, para estos casos y aún ante un regulador con conector incorporado en la caja, se recomienda consultar el catálogo.




1 cables "blanco": Extremo del Bobinado.
1 cable "amarillo": Derivación del Bobinado.
1 cable "verde": Masa del regulador.
1 cable "rojo" o "rosa": Positivo Batería.

Para más información, escribinos a Esta dirección de correo electrónico está siendo protegida contra los robots de spam. Necesita tener JavaScript habilitado para poder verlo.

Seleccione su provincia o ciudad.

captcha
Suscribite a nuestro Newsletter Toda la información que necesitás sobre posventa y mercado automotriz, en tu casilla.
Suscribirme
Seguinos hoy!